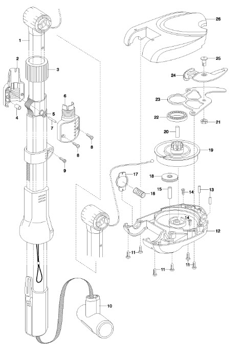
Prinzipiell kann nach dem lösen der Schraube Pos. 25 bzw. der Mutter Pos. 21 das Messer einfach aus dem Schneidkopf genommen und das neue Messer wieder eingesetzt werden - evtl. ist dabei leicht an der Zughülse zu ziehen, dass das Getriebe wieder in die Verzahnung des Messers greift und vollständig eingesetzt werden kann.
Alternativ kann zum Messertausch das Gehäuse geöffnet werden indem die sechs Schrauben Pos. 11 gelöst werden - bitte achte darauf dass der türkise Deckel Pos. 17 durch die Feder 16 unter Spannung steht; dieser sollte daher am besten beim Öffnen mit einer Hand gesichert werden - ggf. Schutzbrille tragen da dieser aufspringen kann.
Die Schrauben Pos. 14 NICHT öffnen - diese halten den Federmechanismus in Pos. 19